油气田开发

油田一体化生产系统产能评价方法

  • YADUA Asekhame U. , 1 ,
  • LAWAL Kazeem A. 2
展开
  • 1 尼日利亚石油开发公司(NPDC),贝宁 300102,尼日利亚
  • 2 第一石油勘探开发公司(FIRST E&P),拉各斯 101233,尼日利亚

Copy editor: 胡苇玮

收稿日期: 2022-09-28

  修回日期: 2023-04-04

  网络出版日期: 2023-05-25

A method to evaluate integrated production system capacity in oil fields

  • YADUA Asekhame U. , 1 ,
  • LAWAL Kazeem A. 2
Expand
  • 1 Nigerian Petroleum Development Company (NPDC), Benin City 300102, Nigeria
  • 2 FIRST Exploration and Petroleum Development Company (FIRST E&P), Lagos 101233, Nigeria

Received date: 2022-09-28

  Revised date: 2023-04-04

  Online published: 2023-05-25

摘要

为了改进一体化生产系统的设计和管理,将守恒定律与多相流体模型、节流模型相结合,开发了用于评估一体化生产系统稳态条件下产能的数学模型和工作流程,通过求解数学模型来表征储集层、油井、油嘴、管汇、分离器一体化生产系统在稳定状态下的水力特征,将井数、油嘴尺寸和分离器压力视为可控变量,通过调控这些变量来优化某一时刻的一体化生产系统动态。研究发现:增加井数可以增大等效油管和等效管线的流量,但井数过高会使管汇压力升高,导致单井产量下降;增加油嘴尺寸可以提高一体化生产系统的产能;一体化生产系统的产量与分离器压力负相关,随着分离器压力的增加和油嘴尺寸的减小,井数增加带来的总产液量(一体化生产系统产能)增量将减少。现场实例验证结果显示,模型最大相对偏差为1.5%,证明了提出的数学模型和工作流程的正确性和有效性。

本文引用格式

YADUA Asekhame U. , LAWAL Kazeem A. . 油田一体化生产系统产能评价方法[J]. 石油勘探与开发, 2023 , 50(3) : 585 -593 . DOI: 10.11698/PED.20220659

Abstract

To improve the design and management of an integrated production system (IPS), a set of mathematical models and workflows are developed for evaluating the capacity of an IPS at steady-state conditions. Combinig the conservation laws with applicable multiphase fluid and choke models, these mathematical models are solved to characterize the hydraulics of an integrated system of reservoir, wells, chokes, flowlines, and separator at steady state. The controllable variables such as well count, choke size and separator pressure are adjusted to optimize the performance of the IPS at a time point. It is found that increasing the well count can increase the flow rates of equivalent tubing and equivalent flowlines, but too many wells may increase the manifold pressure, leading to decline of single-well production. Increasing the choke size can improve the capacity of the IPS. The production of the IPS is negatively correlated with the separator pressure. With the rising separator pressure and decreasing choke size, the increment of total fluid production (the capacity of IPS) induced by increasing well count decreases. Validation tests on field examples show the maximum absolute deviation is 1.5%, demonstrating the robustness and validity of the proposed mathematical models and workflows.

0 引言

一体化生产系统是由一个或多个储集层、油井、管线、处理单元以及相应的流体集输设施组成的网络。这些子系统通过液压连接,彼此之间存在相互影响,同时也影响着整个网络的生产和总体性能。因此,需要利用一体化资产模型来准确预测该系统的现场应用效果。在本文中,一体化资产模型和一体化生产系统模型指同一概念[1-3]。一体化资产模型综合了储集层、油井和地面设施。基于该模型,多学科专业之间实现协作融合,在保障健康、安全和环境的情况下,实现相关资产的价值最大化。为了实现这一目标以及其他商业目标,有必要更好地理解生产网络的运行方式,形成统一认识。
前人对一体化生产系统的研究相对较少,且现有一体化资产模型研究主要侧重于商业软件的应用[1,3 -7]。通常认为,这些商业软件的性质类似“黑匣子”,对于一体化生产系统内在物理过程研究的作用有限。最重要的是,一体化生产系统产能的建立程序尚不清楚。为了正确决策,应利用可靠的动态模型对一体化资产的动态行为开展模拟研究,而一体化生产系统模型正是此类动态模型之一。可以使用这些模型(包括相关约束)评估系统在各种不确定性、场景、探索尝试和时间尺度下的动态[5,7]
传统研究中,一体化生产系统模型主要采用商业模拟器构建和模拟,该模型耦合了储集层、油井、管道、海底以及地面设施[1,5,8]。从严格意义上讲,这些模型基于基本原理建立,通常能够体现系统的完整物理特性。因此,此类模型通常很复杂,模拟过程的计算成本较高、决策周期较长。此外,这些研究工作有时与一些实际问题(特别是小型资产)的目标并不相符,也无法及时掌握整个系统的动态。
与仅考虑储集层的模型相比,采用一体化资产模型可得到最佳系统动态和最优决策。而在实际应用中,一体化资产模型也存在一些局限,例如,模型比较复杂、全局最优解难以保证,模型需要维护,计算不稳定性较强和成本较高等[5]。因此,简化是发展趋势,包括采用基于目标的一体化资产模型和快速算法[5,9 -10]
以物理过程为基础的一体化生产系统模型通常比较复杂且成本较高,因此,出现了一系列经验和半经验性的替代研究方法[11]。这些替代方法大致可分为两类:实验设计法和机器学习法。然而,这些方法也存在一些缺点,例如严重依赖实际动态数据。因此,处于项目设计阶段或生产历史数据有限的资产,很少采用这些方法。此外,对于超出原始基础操作条件范围的情况,这些方法建立的预测模型适用性有限。
Dashti等[12]针对科威特大布尔干油田(Greater Burgan,世界上最大的碎屑岩油田)提出了一种“从孔隙到处理设施”的一体化资产模型。该模型包括1个储集层、2 000多口井和3个集输中心,模型比较复杂且计算成本较高,模拟结果表明,5年预测期内,生产网络对储集层动态影响不大。Victorino等[13]比较了一体化模型与非一体化模型的生产剖面,两者模拟结果相当,但后者的实施应用更简单。这些研究结果强调了一个可靠的油藏模型对一体化资产模型准确性的重要作用,同时也指出,单独的油藏模型能够反映固定井口边界条件下下游网络的整体动态(回压),而一体化资产模型并不总是能够为油藏模型增值。
为了协助发展规划、资产管理和商业规划,引入了一体化生产系统产能的概念,以此作为开发项目对比和现有运营资产评估的关键绩效指标。采用一体化生产系统产能指标的目的是推动改进措施(包括生产优化和故障排除等)的实施,以实现短期、中期和长期价值最大化,这一目标至关重要。但对于一体化生产系统产能的定义和量化方式,还存在不同观点。有学者将一体化生产系统产能定义为生产网络在100%可运行条件下在交接点可输运的总产量[14]。由此可知,一体化生产系统产能不一定等于100%可运行条件下的油井产量。还有些学者将一体化生产系统产能定义为资产的历史最大产量(对应日期称为一体化生产系统产能日,该日期生产网络内所有井均已投产,并且不存在漏失和延误等情况)。该定义的一个缺点是无法保证生产网络所有组成部分(如井和分离器)在一体化生产系统产能日都处于最佳状态。此外,该定义基于生产历史提出,没有考虑网络条件(如储集层压力、油井采油指数、油嘴状态、分离器设定点)随时间的变化及其对一体化生产系统产能的瞬时影响。针对一体化生产系统产能,没有统一的定义,并且缺乏明确的评估和预测程序,影响了这一指标的应用。因此,本文将Yadua等[15-16]提出的针对单一储集层-井系统的方法扩展到一体化生产系统中,也就是将Yadua等的稳定(平衡)产量概念等同于一体化生产系统产能。值得注意的是,在一体化注入系统的注入能力量化评价方面,已经成功开发了一种类似的技术方法[17]
为便于理解,本文仅考虑单一储集层一体化生产系统。该系统包括1口或多口油井,采出流体通过一套管汇和主管线输送到分离器。以管汇为参考点,将生产系统分为流入子系统(储集层到管汇)和流出子系统(管汇到分离器)。基于合理假设,考虑流入和流出子系统所有组成部分的压力损失以及源汇设定点压力,开发一个相对简单的模型,用于研究各种子系统和操作条件配置下一体化生产系统的动态。本文提出的方法是目前用于表征和模拟一体化生产系统动态的两种方法(即基于复杂物理特性的方法和基于简单经验数据的方法)的合理折中。在一体化生产系统动态表征方面,本文提出的简化物理模型是传统半经验模型方法(如机器学习)的一种补充。此外,本文提出一种基于物理特性的方法,用于确定各组成部分配置(包括尺寸)和操作条件下的一体化生产系统产能,为改进油田开发和生产优化工作提供指导。

1 模型建立

尽管一体化生产系统具有复杂性,但都可以分为两个大的子系统:流入子系统和流出子系统。以管汇为参考节点,流入子系统位于管汇的上游,流出子系统位于管汇的下游。在稳定状态下,流入子系统向管汇输送流体(和固体),同时流出子系统从该管汇中输出相同数量的流体(和固体)。通常,流入子系统由1条或多条流入线路组成,每条流入线路对应1个储集层(本源)、1口井、1个地面油嘴、1条管线和作为上游汇集点的管汇。流出子系统包括管汇(管汇为下游的源)、主管线和分离器(终汇)。图1为1个简单的一体化生产系统示意图。
图1 生产网络示意图
为了解一体化生产系统在不同配置和条件下的动态,本文考虑了1个简单但实用的系统设置:1个储集层,通过多口井(各自配置相应的油嘴和管线)连接到管汇。在该系统中,管汇是分离器的唯一下游源(见图2)。同一储集层的所有井彼此独立、同时开采。各井仅在水力方面存在相互作用,即处于同一平均储集层压力下,且均受到管汇条件的约束。所有流体都来自同一储集层,所以认为整个系统内的各相(气、油和水)相对密度均匀。
图2 多井单储集层生产网络示意图
为了简化一体化生产系统动态的数学表达式,本文假设:①系统处于稳态;②液体流动为主,流体均质、不可压缩;③各类管道(油管柱、管线和主管线)内径相同;④气体不溶于水;⑤自然流动条件;⑥流体流动为一维流动。
管汇是流入子系统和流出子系统之间的连接点,可以作为求解节点。任一时间点的管汇液压状态可由压力和流量表征。管汇(或主管线)处流量是所有流入线路流量的总和:
Q Lb = i = 1 n Q L i
管汇压力和流量可以通过节点分析来估算。节点分析是基于能量平衡原理的分析方法,通常采用压力分析的形式进行。储集层流体处于受压状态,因此具有压力势能(压力与体积的乘积)。压力势能驱动储集层流体从地下孔隙通过井筒及井下设备流向地面设施。采油系统中的能量转换主要是消耗压力势能以克服流动通道中的摩擦力、加速度和重力。生产系统的流入动态关系包括储集层、井筒、油嘴和管路中的能量损失。而流出动态关系主要涉及主管线和其他地面设备以及分离器操作设定点的能量损失。将这两种关系关联起来,得到下式:
Q m p r Δ p gm Δ p gb Δ p fb p s i = 1 n Q m i Δ p d i
i = 1 n Q m i Δ p fw i i = 1 n Q m i Δ p ff i i = 1 n Q m i Δ p c i = 0
n口井产液量和采液指数均相等的特定情况下,储集层内能量损失可表示为:
i = 1 n Q m i Δ p d i = n Q m n Q L i J L i = Q m Q Lb n J L i
关于摩擦和重力引起的压力损失,本文采用Yadua等[15]使用的表达式,将其换算为国际单位制形式,即:
i = 1 n Q m i Δ p fw i = i = 1 n 1.615 0 × 10 18 M i 2 L t i Q L i 2 Q m i ρ m i D t i 5
其中:
M i = 1 000 γ o 1 f w i + γ w f w i + 1.225 4 γ g R p i 1 f w i + M s i 1 000
ρ m i = M i V m i
V m i = B o 1 f w i + B w f w i +
3.510 6 × 10 4 T Z R p i R s 1 f w i p + M s i 1 000 ρ s
i = 1 n Q m i Δ p ff i = i = 1 n 1.615 0 × 10 18 M i 2 L f i Q L i 2 Q m i ρ m i D f i 5
Q m Δ p fb = 1.615 0 × 10 18 M b 2 L b Q Lb 2 Q m ρ mb D b 5
Q m Δ p gb = 9.8 × 10 6 ρ mb h s Q m
(6)式中Mbρmb的计算公式与(4)式中Miρmi的计算公式类似。
根据Gilbert[18]的过油嘴压力损失估算公式,可得系统中所有油嘴的总能量损失计算公式为:
i = 1 n Q m i Δ p c i = i = 1 n 9.544 2 × 10 10 f p i C i R i 0.546 Q L i Q m i S i 1.89
流入子系统类似于1个容器(见图3),有n条管路(n口井),这些管路(井)在底部(储集层)和顶部(管汇)的目标节点处连接。众所周知,静水压力仅取决于流体密度、重力和垂直距离,与流体或管路的形状无关。因此,以容器底部为参照,静水压力损失与系统内存在多条管道无关,与流入子系统中重力引起的压力损失相关的能量损失由(9)式计算得出。
图3 类似于流入子系统的流体容器示意图
Q m Δ p gm = 9.8 × 10 6 ρ m 1 n i = 1 n h m i Q m
引入1条等效线路来简化整个生产系统,如图4所示。该等效线路由储集层、等效井、等效油嘴和等效管线组成,等效线路可模拟实际的流入子系统。本质上,等效线路中的流动考虑了储集层与管汇之间的所有能量损失[17]
图4 采用等效线路的生产网络示意图
联立流入动态关系和流出动态关系,可以得到:
Q m p r Δ p de Δ p fwe Δ p ffe Δ p ce Δ p gm
Δ p gb Δ p fb p s = 0
将(10)式和(2)式进行类比,可以得到储集层内能量损失为:
Q m Δ p de = Q m Q Lb J Le = Q m Q Lb n J L i
等效采液指数的计算公式如下:
J Le = n J L i = i = 1 n J L i
等效采液指数是各实际井采液指数的算术和,这与多层油藏的总流动能力(即渗透率与厚度的乘积,与采液指数成正比)是各层流动能力的算术和这一普遍认识一致[19]
同理可得等效井内摩擦引起的能量损失为:
Q m Δ p fwe = 1.615 0 × 10 18 M e 2 L te Q Lb 2 Q m ρ me D te 5 =
i = 1 n 1.615 0 × 10 18 M i 2 L t i Q L i 2 Q m i ρ m i D t i 5
在整个系统具有相同的混合物平均密度、含水率和生产气油比,并且所有井具有相同的井底—井口距离、油管内径以及产量的特定情况下,(13)式可以简化为:
n Q L i 2 n Q m i D te 5 = n Q L i 2 Q m i D t i 5
所有n个油管串的等效内径由下式得出:
D te = n 2 5 D t i = i = 1 n D t i 5 2 2 5
同理可得等效管线内摩擦引起的能量损失为:
Q m Δ p ffe = 1.615 0 × 10 18 M e 2 L fe Q Lb 2 Q m ρ me D fe 5 =
i = 1 n 1.615 0 × 10 18 M i 2 L f i Q L i 2 Q m i ρ m i D f i 5
除了计算油井摩擦能量损失时的假设条件外,本研究还假设所有管线长度相同,例如井口位于同一个平台上并连接到一个公共管汇的情况,此时可以根据下式计算等效管线内径:
D fe = n 2 5 D f i = i = 1 n D f i 5 2 2 5
同理可得等效油嘴的能量损失为:
Q m Δ p ce = 9.544 2 × 10 10 f p e C e R e 0.546 Q Lb Q m S e 1.89 =
i = 1 n 9.544 2 × 10 10 f p i C i R i 0.546 Q L i Q m i S i 1.89
若某一时刻所有井的生产气液比、油嘴经验系数、油嘴尺寸和流量等参数均相同,则(18)式可简化为:
n Q L i n Q m i S e 1.89 = n Q L i Q m i S i 1.89
因此,等效油嘴尺寸计算如下:
S e = n 1 1.89 S i = i = 1 n S i 1.89 1 1.89
本质上,等效油嘴尺寸是井数和每口井油嘴尺寸的函数。
(10)式中的QmΔpgmQmΔpgbQmΔpfb分别由式(9)式、(7)式、(6)式得出。
将(6)式、(7)式、(9)式、(11)式、(13)式、(16)式和(18)式代入(10)式,得到以下关于QLb的二次表达式:
a Q Lb 2 + b Q Lb + c = 0
(21)式的正根是在给定的条件和时刻下目标生产网络的液体平衡流量,如(22)式所示,本文将这一稳定产液量称为一体化生产系统在该条件下的产能。原则上,QLb就是所谓的一体化生产系统产能。换句话说,本文将一体化生产系统产能定义为生产网络在给定时刻的理论平衡产量,同时考虑了所有相关的回压等限制条件。研究认为,生产网络的生产效率是其实际产量与该时刻一体化生产系统产量的比值。从这个意义上说,生产网络的生产效率类似于一口井的完井效率,与理想情况的偏差分别由生产网络的回压和油井的表皮系数导致。综上所述,需要重新审视使用延误来解释与一体化生产系统产能日的偏差的常见做法。延误和漏失属于操作低效,不应与真实的系统低效相混淆,后者原则上可通过引入一体化生产系统产能的概念来解决。
Q Lb = b + b 2 4 a c 2 a
其中
a = 1.615 0 × 10 18 M 2 ρ m L te D te 5 + L fe D fe 5 + L b D b 5
b = 1 J Le + 9.544 2 × 10 10 f p e C e R e 0.546 S e 1.89
c = 9.8 × 10 6 ρ m 1 n i = 1 n h m i + h s + p s p r
从(22)式可以看出,一体化生产系统产能是多种因素的函数。这些因素包括储集层、流体混合物、油井、油嘴、管线、主管线、管汇、分离器以及一体化生产系统其他设备的主要特征和状态。此外,布井方式也会影响一体化生产系统产能。其中几个因素随时间变化,所以一体化生产系统产能并非一个常数。因此,最佳油田管理方式是定期对一体化生产系统产能开展适当的检查和调控。可控和不可控因素共同影响一体化生产系统产能。由于通常存在不可控的因素(如储集层条件、油管尺寸、主管线几何形状等),一体化生产系统产能的可调控范围是有限的,特别是对于已经存在的资产。但是,根据以上数学表达式,可以确定一体化生产系统产能在特定时间的优化范围。基于上述认识,在实践中,可以通过对相关变量的实时监控和对可控变量(如油嘴设置、布井方式和分离器条件)的相应调整,来实现一体化生产系统产能的自动化调控。
(22)式中隐含了等效井底流压与一体化生产系统产能之间的关系。这两个量都是未知的,所以需要迭代求解。本文构建了一个满足以下收敛条件的求解程序。
p wfe p r Q Lb J Le = 0
求解程序以储集层平均压力(pr)和等效采液指数(JLe)作为输入参数。假定一个pwfe值(ps<pwfe<pr),然后计算QLb,再根据(23)式计算pwfe,然后迭代更改pwfe,直到其满足给定的误差范围。这种收敛要求可以确保准确估算等效井底流压、混合物平均密度以及一体化生产系统产能。

2 敏感性测试

为了对本文模型进行评估,使用独立数据集开展敏感性测试。测试中,以具有相同流入管线和分离器的单一储集层一体化生产系统为例,采用本文模型来评估井数、油嘴开度和主管线内径对总产液量(流动能力)、单井产液量、管汇压力和等效压降(或单井压降)的影响。此外,还评估了分离器压力对该生产系统动态(包括稳态产能,即稳定产液量)的影响。
以下是分别由(1)式和(11)式导出的单井产液量和单井压降的表达式:
Q L i = Q Lb n
Δ p d i = Q L i J L i = Q Lb J Le
从(25)式可以看出,n口井中每口井的压降等于等效压降,其中所有n口井的流量和采液指数都相等。
管汇位于分离器的上游,管汇压力为主管线的压力损失((6)式和(7)式)和分离器压力之和:
p m = 1.615 0 × 10 18 L b M b 2 Q Lb 2 ρ mb D b 5 + 9.8 × 10 6 ρ mb h s + p s
某生产系统参数如表1所示,评估了该系统在亚音速流和音速流过油嘴的情况下对井数和主管线内径的敏感性。与音速流不同,亚音速流需要将压力波动从油嘴的下游(管线、管汇等)传递到油嘴的上游(油井和储集层)。对于亚音速流,设fp=0,这意味着油嘴上没有压力损失,模拟了没有油嘴或者存在完全打开的无效油嘴的情况。对于音速流,设fp=0.412。根据Gilbert的研究结果[18],当油嘴下游压力不超过油嘴上游压力的0.588倍时,存在音速流,也就是说,在该系统中,当流体通过油嘴时,油嘴上游压力至少损失41.2%。
表1 敏感性测试输入参数
参数 参数值 参数 参数值
C 435 Msi 0
Db 0.247 7 m pr 17.66 MPa
Dfi 0.131 8 m ps 0.827 4 MPa
Dti 0.100 5 m Rpi 84.78 m3/m3
fwi 0 Si 0.014 29 m
hmi 1 617 m Ts 334 K
hs 0.914 4 m Twfi 345 K
JLi 3 989 m3/(d·MPa) ρs 2 643 kg/m3
Lb 107 m γg 0.624
Lfi 3.048 m γo 0.851
Lti 1 920 m γw 1.020
图5图6显示了生产系统在亚音速流情况下对井数的响应。由(12)式、(15)式、(17)式和(21)式可知,随着井数的增加,等效采液指数、等效油管内径、等效管线内径和等效油嘴尺寸相应增加。井数增加导致等效采液指数和井筒流动面积增加,使总产液量(一体化生产系统产能)提高。流入管汇(有限空间)的流量增加往往会导致管汇压力升高,对等效井施加更大的回压,导致等效井底流压增加,即等效压降降低。等效压降与井数成反比,但等效采液指数的增加可确保产液量的增加。换句话说,考虑到储集层渗透率和厚度的乘积与采液指数之间的线性关系,若渗透率为100×10-3 μm2、厚度为1 m的储集层采用10口井进行开采,那么,该储集层的产量与单井开采的渗透率为1 000×10-3 μm2、厚度为1 m的储集层的产量相当。这就是页岩油和致密气等低渗透储集层需要相对大量的生产井进行开采,才能达到具有相似流体性质的常规高渗透储集层的产量的原因。管汇压力升高还会导致每口井的回压升高。因此,随着投产井的增多,每口井的井底流压将增加,而相应的单井压降和单井产液量将下降。根据井数与单井产液量之间的反比关系,可以理解为,随着井数的增加,总产液量增量将减少。
图5 亚音速流情况下井数和主管线内径对产液量的影响
图6 亚音速流情况下井数和主管线内径对管汇压力和压降的影响
当主管线内径比参考主管线内径(0.247 7 m)小50%~75%时,上述解释也适用。显然,内径越大的主管线对流量的限制越小,在最小化管汇压力方面越有效。
音速流情况(见图7图8)与亚音速流情况下的生产系统动态响应模式类似,因为它们都受相同的因素(包括储集层压力、流体性质和管道尺寸)影响。尽管如此,二者还是有一些差异。对于任何给定的n值,与亚音速流相比,音速流情况下的油嘴压力损失指示流动阻力增加,这与单井的较高回压有关。因此,在同一组参数条件下,与亚音速流相比,音速流的单井井底流压更高(即压降更低)、产液量更低,因而管汇压力更低。亚音速流和音速流情况下的模拟结果表明,存在1个最佳主管线内径,小于该内径时,增加井数不会显著改善一体化生产系统产能和其他性能指标。
图7 音速流情况下井数和主管线内径对产液量的影响
图8 音速流情况下井数和主管线内径对管汇压力和压降的影响
使用油嘴会导致产液量降低,而能量损失与流量成正比,则使用油嘴比不使用油嘴的能耗更低。因此,从节能和相关健康、安全和环境(HSE)绩效的角度来看,需要密切关注项目设计阶段的油嘴选择以及项目实施阶段的油嘴调控频率和范围。
分离器压力是一个重要的油田操作参数。它影响气体在液体中的溶解度和分离效率,从而影响出口原油的质量和数量。为了更加深入地了解分离器压力的重要性,评估了分离器压力、井数和油嘴开度(亚音速流或音速流情况)对一体化生产系统动态的整体影响。如图9图10所示,无论井数如何,产液量(一体化生产系统产能)与分离器压力始终成反比,但随着井数的增加,生产系统对分离器压力的敏感性增加,即产液量-分离器压力曲线的斜率增大。分离器压力较高时,井数对生产系统产能的积极影响大幅减弱。因此,在高分离器压力条件下,尤其是在油嘴开度更小的情况下,不建议改变生产井的数量。
图9 亚音速流情况下分离器压力和井数对生产系统动态的影响
图10 音速流情况下分离器压力和井数对生产系统动态的影响

3 现场实例模型验证

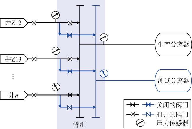
利用尼日尔三角洲某在产海上油田的数据,验证本文模型的有效性。该油田的一体化生产系统包括多个储集层及采用单井筒完井工艺的油井、1组管汇(位于井口平台上)、1个浮式处理设施,如图11所示。验证工作主要基于储集层Z的两口生产井Z12井、Z13井展开。为了使用本文模型和工作流程来分析这套生产系统,引入等效井Ze来代表Z12井和Z13井,用于模拟试采期间只有Z12井和Z13井采液输送到主管线的情况。
图11 用于模型验证的一体化生产系统示意图
Ze井的采液指数、油管内径、管线内径和油嘴尺寸分别通过(12)式、(15)式、(17)式和(20)式的第3项确定。Ze井的油嘴经验系数、过油嘴压力损失率、井底与管汇垂直距离、管线长度、油管长度、平均储集层压力、分离器温度和井底流温采用Z12井和Z13井相应参数的算术平均值。Z12井和Z13井采出液在地面混合,混合液的含水率、固体含量、生产气油比以及气、油、水相对密度计算如下:
f wZe = i = 1 n f w i Q L i i = 1 n Q L i
M sZe = i = 1 n M s i Q L i i = 1 n Q L i
R pZe = i = 1 n R p i Q L i 1 f w i i = 1 n Q L i 1 f w i
γ gZe = i = 1 n γ g i R p i Q L i 1 f w i i = 1 n R p i Q L i 1 f w i
γ oZe = i = 1 n γ o i Q L i 1 f w i i = 1 n Q L i 1 f w i
γ wZe = i = 1 n γ w i Q L i f w i i = 1 n Q L i f w i
井口压力计算如下:
p wh i = 1 1 f p i 1.615 0 × 10 18 L f i M i 2 Q L i 2 ρ m i D f i 5 + p m
表2列出了Z12、Z13、Ze井的相关参数。表3为模型模拟结果与同期Z12、Z13井的测试数据,可以看出,模型模拟结果与现场测试数据的匹配度较高。对于产液量、井口流压和管汇压力,测试数据与模拟结果的相对偏差均小于1.5%。
表2 Z12、Z13、Ze井相关参数
参数 参数值
Z12井 Z13井 Ze井
C 230.2 200.7 215.5
Db 0.253 9 m
Dfi 0.131 7 m 0.131 7 m 0.173 7 m
Dti 0.097 5 m 0.097 5 m 0.128 7 m
Dtl 0.152 4 m 0.152 4 m
fpi 0.885 5 0.902 3 0.893 9
fwi 0.040 0 0 0.014 4
hmi 163 1 m 161 4 m 162 2 m
hs 0.914 4 m 0.914 4 m 0.914 4 m
JLi 600 m3/(d·MPa) 2 098 m3/(d·MPa) 2 698 m3/(d·MPa)
LbLtl 152 m 152 m 152 m
Lfi 22 m 18 m 20 m
Lti 2 103 m 1 874 m 1 988 m
Msi 8.56×10-3 kg/m3 2.85×10-3 kg/m3 4.91×10-3 kg/m3
n 1 1 1
pr 17.37 MPa 17.40 MPa 17.39 MPa
ps 0.70 MPa 0.70 MPa 0.70 MPa
Rpi 105.61 m3/m3 124.49 m3/m3 118.00 m3/m3
Si 0.010 32 m 0.012 70 m 0.016 69 m
Ts 302 K 318 K 310 K
Twfi 328 K 343 K 335 K
ρs 2 651 kg/m3 2 651 kg/m3 2 651 kg/m3
γg 0.624 0.624 0.624
γo 0.868 0.848 0.855
γw 1.020 1.020 1.020
表3 模型模拟结果与同期Z12井、Z13井的测试数据
井名 QLi/(m3·d-1) pwhi/MPa pm/MPa
测试 模拟 测试 模拟 测试 模拟
Z12 516 516 6.14 6.18 0.70 0.71
Z13 914 914 7.20 7.28 0.70 0.71
Ze 1425 6.67 0.71
当采出液从流入管线输送到主管线时,流入管线-管汇界面处的压力等于管汇-主管线界面处的压力,两个界面之间的压力损失可以忽略不计。类似地,对于测试井,流入管线-管汇界面处的压力基本等于管汇-测试管线界面处的压力。这些压力均称为管汇压力。在现场测试条件下,模型模拟的等效井Ze的管汇压力为0.71 MPa。也就是说,当只有Z12井和Z13井向分离器供油时,其管汇压力为0.71 MPa。这与Z12井和Z13井在现场测试(试采)期间的管汇压力大致相同。
两个节点之间的流量取决于其属性以及两个节点之间流体和流动路径的性质。因此,当现场测试条件下只有Z12井和Z13井的采出液进入主管线且管汇压力约为0.71 MPa时,两口井的实际产液量分别约为516 m3/d和914 m3/d。两口井的总产液量约为1 430 m3/d,即两口井的测试产液量之和。在相同条件下,模型模拟总产液量为1 425 m3/d,与现场测试结果的相对偏差为0.3%。
尽管本文模型相对简单,但以上现场测试结果和模型模拟结果的对比证实其准确性较高。

4 结论

提出了一种评估稳态条件下一体化生产系统产能的方法,将井数、油嘴尺寸和分离器压力视为可控变量,通过调控这些变量来优化某一时刻的一体化生产系统动态。研究发现,增加井数可以增大等效油管和等效管线的流量,从而消除一体化生产系统的技术瓶颈。然而,井数过高会使管汇压力升高,导致单井产量下降。增加油嘴尺寸可以提高一体化生产系统的产能。一体化生产系统的产量与分离器压力成负相关。随着分离器压力的增加和油嘴尺寸的减小,井数增加带来的总产液量(一体化生产系统产能)增量将减少。
本文提出的数学模型和工作流程已在某海上油田现场得到成功应用。模型模拟结果与现场测试数据吻合度较高,相对偏差在1.5%以内,验证了本文模型和工作流程的适用性和准确性。
符号注释:
BoBw——原油、地层水平均体积系数,m3/m3Ce——等效井的油嘴经验系数,无因次;Ci——第i口井的油嘴经验系数,无因次;Db——主管线内径,m;Dfe——等效管线的内径,m;Dfi——第i条流入管线的内径,m;Dte——等效井的油管内径,m;Dti——第i口井的油管内径,m;Dtl——测试管线内径,m;fp——过油嘴压力损失率,即过油嘴压力损失与油嘴上游压力的比值,其值大于等于0.412时为音速流;fpe——等效井过油嘴压力损失率;fpi——第i口井过油嘴压力损失率;fwi——第i口井含水率,f;hmi——第i口井井底与管汇的垂直距离,m;hs——管汇与分离器的垂直距离,m;i——流入管线(井)编号;JLe——等效采液指数,m3/(d·MPa);JLi——第i口井的采液指数,m3/(d·MPa);Lb——主管线长度,m;Lfe——等效管线的长度,m;Lfi——第i条流入管线的长度,m;Lte——等效井井底到井口的长度,m;Lti——第i口井井底到井口的长度,m;Ltl——测试管线长度,m;M——单位体积液体对应的混合物质量,kg/m3Mb——主管线中单位体积液体对应的混合物质量,kg/m3Me——等效井中单位体积液体对应的混合物质量,kg/m3Mi——第i口井单位体积液体对应的混合物质量,kg/m3Msi——第i口井(第i条流入管线)单位体积采出液中的固体质量,g/m3n——流入管线数(井数);p——压力,MPa;pm——管汇压力,Pa;pr——储集层平均压力,MPa;ps——分离器压力,MPa;pwfe——等效井底流压,MPa;pwhi——第i口井的井口压力,MPa;∆pce——等效井的过油嘴压力损失,MPa;∆pci——第i口井的过油嘴压力损失,MPa;∆pde——等效井的生产压差,MPa;∆pdi——第i口井的生产压差,MPa;∆pfb——主管线摩擦引起的压力损失,MPa;∆pffe——等效管线摩擦引起的压力损失,MPa;∆pffi——第i条流入管线的摩擦引起的压力损失,MPa;∆pfwe——等效井井内摩擦引起的压力损失,MPa;∆pfwi——第i口井井内摩擦引起的压力损失,MPa;∆pgb——流出子系统重力引起的压力损失,MPa;∆pgm——流入子系统重力引起的压力损失,MPa;QLi——第i条流入管线的流量,m3/d;QLb——管汇处流量,m3/d;Qm——一体化生产系统的混合物平衡产量,m3/d;Qmi——第i口井的混合物平衡产量(第i条流入管线的流量),m3/d;Re——等效井的生产气液比,m3/m3Ri——第i口井的生产气液比,m3/m3Rpi——第i口井的生产气油比,m3/m3Rs——平均溶解气油比,m3/m3Se——等效油嘴尺寸,m;Si——第i口井的油嘴尺寸,m;T——温度,K;Ts——分离器温度,K;Twfi——第i口井的井底流温,K;Z——气体压缩系数,无因次;γgγoγw——气、油、水相对密度;ρm——平均混合物密度,kg/m3ρmb——主管线中平均混合物密度,kg/m3ρme——等效井中平均混合物密度,kg/m3ρmi——第i口井中平均混合物密度,kg/m3ρs——固体颗粒密度,kg/m3。下标:Ze——现场实例中代表Z12井和Z13井的等效井Ze井。
[1]
TORRENS R, EL GOHARY M, AL BAIRAQ A, et al. Integrated asset modeling of a gas condensate field operating under gas recycling mode[R]. SPE 171988-MS, 2014.

[2]
ELI A, ABOAJA U, AJAYI A. Integrated production system modeling (IPSM) as an opportunity realization and optimization tool for improved asset management[R]. SPE 167557-MS, 2013.

[3]
ROADIFER R D, SAUVÉ R, TORRENS R, et al. Integrated asset modeling for reservoir management of a miscible WAG development on Alaska’s western north slope[R]. SPE 158497-MS, 2012.

[4]
GONZÁLEZ D, STANKO M, HOFFMANN A. Decision support method for early-phase design of offshore hydrocarbon fields using model-based optimization[J]. Journal of Petroleum Exploration and Production Technology, 2020, 10(4): 1473-1495.

DOI

[5]
HOFFMANN A, STANKO M, GONZÁLEZ D. Optimized production profile using a coupled reservoir-network model[J]. Journal of Petroleum Exploration and Production Technology, 2019, 9(3): 2123-2137.

DOI

[6]
STANKO M, VENSTAD J M. Using combinatorics to compute fluid routing alternatives in a hydrocarbon production network[J]. Journal of Petroleum Exploration and Production Technology, 2017, 7(4): 1185-1195.

DOI

[7]
HEPGULER G, BARUA S, BARD W. Integration of a field surface and production network with a reservoir simulator[J]. SPE Computer Applications, 1997, 9(3): 88-92.

DOI

[8]
ALWAZZAN A, DASHTEBAYAZ M, FIAZ M. From pore to process: Novel flow assurance approach to suppress severe production chemistry issues by flow dynamic characterization[R]. SPE 194768-MS, 2019.

[9]
WIEGAND K, ZARETSKIY Y, MUKUNDAKRISHNAN K, et al. An optimization-based facility network solver for well allocation in reservoir simulation[R]. SPE 203954-MS, 2021.

[10]
CUNNINGHAM P R, MCCANN J F, BOUHDAID M. A fast algorithm for integrated asset modeling[R]. SPE 200754-MS, 2020.

[11]
ABAD A R B, GHORBANI H, MOHAMADIAN N, et al. Robust hybrid machine learning algorithms for gas flow rates prediction through wellhead chokes in gas condensate fields[J]. Fuel, 2022, 308: 121872.

DOI

[12]
DASHTI Q, ABDULRAZZAQ H, AL-SHAMMARI N, et al. An integrated pore-to-process model for the largest clastic oilfield in the world[R]. SPE 211437-MS, 2022.

[13]
VICTORINO I R S, HOHENDORFF FILHO J C V, CASTRO M S, et al. Impact of integration of the production systems and reservoir of a benchmark based on carbonate fields[J]. Journal of Energy Resources Technology, 2022, 144(9): 094501.

DOI

[14]
PetroWiki. Production forecasting glossary[DB/OL]. [2022-09-16]. https://petrowiki.spe.org/Production_forecasting_glossary.

[15]
YADUA A U, LAWAL K A, OKOH O M, et al. Stability and stable production limit of an oil production well[J]. Journal of Petroleum Exploration and Production Technology, 2020, 10(8): 3673-3687.

DOI

[16]
YADUA A U, LAWAL K A, EYITAYO S I, et al. Performance of a gas-lifted oil production well at steady state[J]. Journal of Petroleum Exploration and Production Technology, 2021, 11(6): 2805-2821.

DOI

[17]
LAWAL K A. An analytic study on flowline hydraulics as an impairment mechanism of water injectors[R]. SPE 193426-MS, 2018.

[18]
GILBERT W E. Flowing and gas-lift well performance[J]. Drilling and Production Practice, 1954, 20: 126-157.

[19]
BOURDET D. Well test analysis: The use of advanced interpretation models[M]. Amsterdam: Elsevier, 2002.

文章导航

/